DELCO QT Series Explosion-Proof Electric Actuator - Certified Safety & Wide Angle (0°-270°) Control
The DELCO QT Series Explosion-Proof Electric Actuator is engineered for reliable automation in hazardous industrial sectors such as petroleum, chemical engineering, and power generation.1 Fully certified for explosion-proof safety, this actuator ensures guaranteed quality and operational integrity in dangerous environments.2 It distinguishes itself with a versatile rotational range of 0° to 270°, enabling control over diverse equipment like ball valves, butterfly valves, air throttles, and dampers.5 Driven by standard AC power supplies (380V/220V/110V) and controlled via 4-20mA or 0-10VDC signals, it delivers precise positioning with a maximum torque of up to 2,000 N.m.
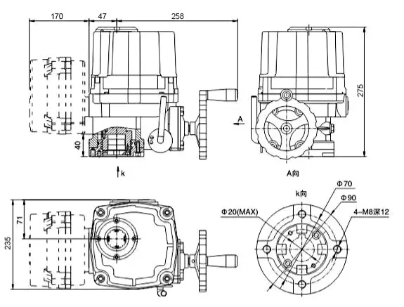
Features
A certified explosion-proof electric actuator from the DELCO QT Series, offering up to 2,000 N.m torque and a wide 0° to 270° rotational range for safe, precise valve automation in hazardous environments.
✅Certified Explosion-Proof Safety: The product has passed rigorous explosion-proof certification, providing guaranteed quality and safety assurance for operation in hazardous zones containing flammable gases or dusts (e.g., petroleum and chemical industries).
✅Wide Rotational Range (0°-270°):Unlike standard quarter-turn actuators, the QT Series supports rotation from 0° up to 270°, making it highly versatile for controlling not just standard valves but also air throttles, baffle valves, and shutter valves.
✅High Torque Capability: Delivers a powerful maximum output torque of 2,000 N.m, ensuring sufficient force to reliably operate and seal medium-to-large valves even under high-pressure conditions.
✅Precise Proportional Control: Utilizes standard analog control signals (4-20mA current or 0-10V DC voltage) to move the valve to the exact required position, enabling fine-tuned automated flow and pressure control.
✅Broad Industrial Versatility: Designed for widespread application across critical sectors including heat supply, shipbuilding, water treatment, paper manufacturing, and building automation, compatible with various multi-voltage power sources.
Industry Applications
-
Water Treatment
Chemical dosing (chlorine, pH adjusters), filtration systems -
Chemical Processing
Acid/alkali transfer, solvent blending lines -
HVAC Systems
Chilled water control, heat recovery units -
Aquaculture
Seawater flow diversion, ozone injection -
Plating Plants
Electrolyte management, waste neutralization
Browse our case studies or talk directly with our engineers to discuss your application.
Send Your Inquiry
Not sure which valve fits your project? Our engineers provide fast selection support and OEM customization.
For a faster and more precise quotation, kindly include details such as:
- The model or features you are looking for
- Your estimated purchase quantity
- Any OEM / branding requirements
- Target market or application
