DELCO Flanged Cast Steel Swing Check Valve - WCB Body, Heavy Duty
The DELCO Flanged Cast Steel Swing Check Valve features a rugged WCB body designed for high-pressure and high-temperature industrial applications. Built to strict API/ANSI standards, it ensures reliable unidirectional flow control in critical oil, gas, and steam pipelines.
Features
A heavy-duty WCB cast steel non-return valve with hard-faced seating, engineered for high-pressure backflow prevention in oil and steam applications.
✅Heavy-Duty WCB Construction: Manufactured from ASTM A216 WCB Cast Steel, offering high mechanical strength and impact resistance for heavy industrial loads.
✅Hard-Faced Seating: Sealing surfaces are often overlaid with Stellite or hard alloy to resist wear, galling, and erosion caused by high-velocity steam or abrasive fluids.
✅Bolted Bonnet Design: Features a secure bolted bonnet for easy maintenance and internal inspection without removing the entire valve body from the line.
✅Full Opening Disc: The swing mechanism moves completely out of the flow path, minimizing turbulence and ensuring efficient operation in high-volume systems.
✅High Pressure Capability: Designed to withstand high pressure ratings (Class 150/300/600), making it the standard choice for refineries, power plants, and petrochemical facilities.
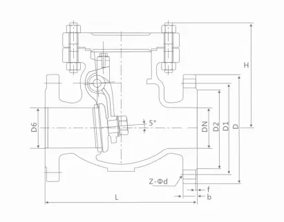
Drawing
Industry Applications
-
Water Treatment
Chemical dosing (chlorine, pH adjusters), filtration systems -
Chemical Processing
Acid/alkali transfer, solvent blending lines -
HVAC Systems
Chilled water control, heat recovery units -
Aquaculture
Seawater flow diversion, ozone injection -
Plating Plants
Electrolyte management, waste neutralization
Browse our case studies or talk directly with our engineers to discuss your application.
Send Your Inquiry
Not sure which valve fits your project? Our engineers provide fast selection support and OEM customization.
For a faster and more precise quotation, kindly include details such as:
- The model or features you are looking for
- Your estimated purchase quantity
- Any OEM / branding requirements
- Target market or application
