DK60-S2 2-Way Stainless Steel Electric Drain Valve with Timer Control
DELCO's DK60-S2 is a precision miniature stainless steel electric ball valve designed for timer drain applications. It features a direct-connection actuator with a built-in servo system, allowing for control via a 4-20mA signal. Its compact structure, low resistance, and robust SS304 construction ensure stable, reliable operation for efficient fluid management.
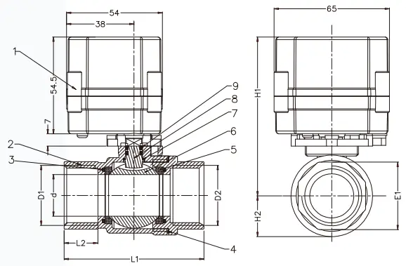
Features
Precision Control and Durable Stainless Steel Construction
✅ Integrated Servo and Signal Control: Features a built-in servo system, eliminating the need for a separate servo amplifier. It can be controlled by inputting a 4-20mA signal and 220V AC power supply for reliable ON/OFF or control adjustment.
✅ Durable Stainless Steel Body: The valve body and cover are constructed from Stainless Steel, offering superior corrosion resistance and high mechanical strength, making it ideal for use as a timer drain valve.
✅ Compact and Efficient Direct Connection: The direct connection between the ball valve and the actuator results in a compact structure, small size, light weight, and low flow resistance, ensuring stable and reliable action.
✅ High-Quality Sealing Materials: The valve utilizes PTFE for sealing components and FKM for O-Rings, providing excellent chemical compatibility and ensuring tight, leak-free shut-off performance.
✅ Ideal for Automated Systems: The advantages of simple connection and reliable action make this valve suitable for integration into automated industrial equipment and intelligent fluid control systems.
Parameters
Industry Applications
-
Water Treatment
Chemical dosing (chlorine, pH adjusters), filtration systems -
Chemical Processing
Acid/alkali transfer, solvent blending lines -
HVAC Systems
Chilled water control, heat recovery units -
Aquaculture
Seawater flow diversion, ozone injection -
Plating Plants
Electrolyte management, waste neutralization
Browse our case studies or talk directly with our engineers to discuss your application.
Send Your Inquiry
Not sure which valve fits your project? Our engineers provide fast selection support and OEM customization.
For a faster and more precise quotation, kindly include details such as:
- The model or features you are looking for
- Your estimated purchase quantity
- Any OEM / branding requirements
- Target market or application
