DK67-PB Pneumatic UPVC Wafer Butterfly Valve for Chemical, Electroplating, and Lab Drainage Systems
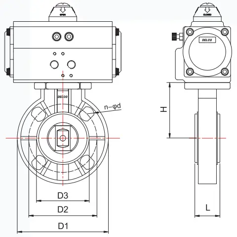
DELCO's DK67-PB Pneumatic Wafer Butterfly Valve is designed with a body made of UPVC and other highly corrosion-resistant plastic materials, specifically for controlling acidic or alkaline liquids. It features a lightweight, simple structure with EPDM/FPM soft seals and supports clamp or flange connections. Equipped with a robust pneumatic actuator, this valve offers both ON/OFF and adjusting control options, making it an ideal automated solution for challenging fluid environments.
Features
Superior Corrosion Resistance and Automated Plastic Control
✅ Exceptional Chemical and Corrosion Resistance: The valve body is constructed from highly durable plastic materials (PVC, UPVC, CPVC, PPH, or PVDF), ensuring strong resistance to corrosion from concentrated acidic or alkaline liquids.
✅ Integrated Pneumatic Automation (ON/OFF & Modulating): Paired with an AT Series pneumatic actuator, the valve supports both simple switch (ON/OFF) control and can be fitted with a positioner for precise flow adjustment (modulating control).
✅ Sanitary and Application-Specific Sealing: Utilizes EPDM or FPM soft seals, which offer superior resistance to weak acids and bases, maximizing performance and lifespan in chemical and sanitary applications.
✅ Ideal for Harsh Industry Applications: This valve is ideally suited for demanding fluid environments such as chemical water treatment, electroplating tank solution control, and laboratory drainage systems where metal valves are unsuitable.
✅ High Protection and Flexible Installation: The pneumatic actuator features an IP65 protection level for durability in harsh industrial settings. The valve utilizes a compact wafer-style connection, compatible with both Clamp or Flange (DIN/ANSI standard) types.
Parameters
Industry Applications
-
Water Treatment
Chemical dosing (chlorine, pH adjusters), filtration systems -
Chemical Processing
Acid/alkali transfer, solvent blending lines -
HVAC Systems
Chilled water control, heat recovery units -
Aquaculture
Seawater flow diversion, ozone injection -
Plating Plants
Electrolyte management, waste neutralization
Browse our case studies or talk directly with our engineers to discuss your application.
Send Your Inquiry
Not sure which valve fits your project? Our engineers provide fast selection support and OEM customization.
For a faster and more precise quotation, kindly include details such as:
- The model or features you are looking for
- Your estimated purchase quantity
- Any OEM / branding requirements
- Target market or application
